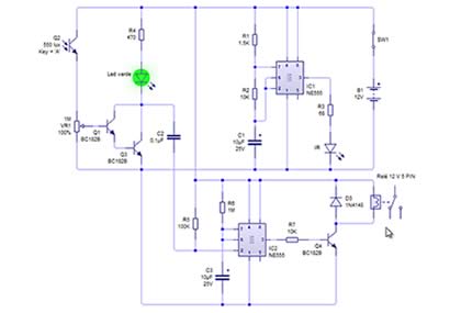
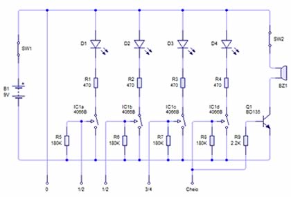
Neste curso, você aprenderá de forma fácil e prática a elaborar e analisar o funcionamento de vários circuitos eletrônicos contendo transistores e circuitos integrados. Também aprenderá as técnicas para realizar a montagem destes circuitos usando um dos melhores softwares simuladores, o Circuit Wizard. O curso aborda: O projeto de circuitos eletrônicos, análise do funcionamento de projetos para automação adotando circuitos integrados, como o CI 555 e amplificadores operacionais, e projetos introdutórios para estudantes de robótica e entusiastas. São vários exemplos práticos de circuitos compreendendo: monitoramento de nível da água, detector de umidade, seguidor de Luz, detector de proximidade, sensor infravermelho, acionamento por temperatura, aplicação com motores C.C, etc. Estude com a Render e conquiste novos conhecimentos para oferecer a este enorme mercado.
Objetivos
- Capacitar o aluno para análise, montagens e elaboração de circuitos eletrônicos
- Elaborar circuitos sensores para o monitoramento de umidade, iluminação e temperatura
- Compreender o funcionamento dos circuitos eletrônicos inteligentes aplicados na robótica
A quem se destina
- Estudantes que desejam complementar seu aprendizado em eletrônica
- Pessoas que possuam interesse de adquirir o conhecimento e a habilidade de trabalhar com eletrônica voltada para montagem de circuitos
- Estudantes de curso técnico ou superior que desejem produzir projetos inteligentes na área da eletrônica e robótica
















Ainda não há resenhas.